Use as reference only. Many modern cars have multiplexed or can bus wiring systems.

Rocker Switch Diagram For Wiring To Relay Wiring Diagram Data Schema

How To Wire A Relay

Electrical Diagram Relay Wiring Diagram Data Schema
Single pole single throw spst.

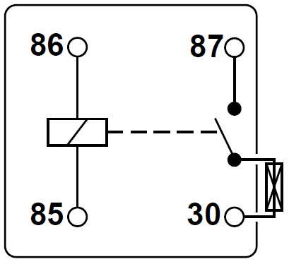
Wiring diagram for a relay. Using the electrical wiring diagram body electrical diagnosis course l652 3 one of the keys to a quick and successful electrical diagnosis is correctly. 73 powerstroke glow plug relay wiring diagram what is a wiring diagram. Lamp bulbs f r 1947 models candlepo wer 32 21 21 3 32 32 headlamp pre focused speedometer light generator signal light oil pressure signal light. The square relay pinout shows how the relay socket is configured for wiring. Dpdt relay wiring diagram. Your lamp kit harness my have different wire colors. Spst vs spdt relays. The relay allows full power to the component without needing a switch that can carry the amps. A relay is typically used to control a component that draws high amperage. Wiring systems such as can bus were developed in order to be a simpler and more cost effective alternative to the traditional wiring harness. This relay will be identified as having a middle 87b spade or no middle spade at all. This is the diagram below to learn all the pin terminals of a double pole double throw dpdt relay. This is a general wiring diagram for automotive applications. A wiring diagram is a simple visual representation from the physical connections and physical layout of the electrical system or circuit. This pinout image is only a 2 pole diagram for room on the page purposes but you can get the picture here with this one since a 3 pole will just have 1 more set of contacts.

Best Relay Wiring Diagram 5 Pin Bosch Endearing Enchanting Blurts

Single Timer Wiring Diagram Single Timer Wiring Diagram Circuit

Relay Wiring Diagrams
6 Post Relay Wiring Diagram Pdf Epub Library

Automotive Relay Guide 12 Volt Planet

Led Light Relay Wiring Diagram Wiring Diagram Data Schema

Wrg 6653 5 Pin Wire Diagram

Automotive Relay Guide 12 Volt Planet

Nos Relay Wiring Diagram Data Wiring Diagram

Automotive Relay Guide 12 Volt Planet

Temperature Controlled Ac Home Appliances Using Arduino And Thermistor

Fan Relay Wiring Diagram Wiring Diagram Data Schema

12v Relay Wire Diagram Wiring Diagram

8 Pin Relay Wire Diagram Wiring Diagram Data Schema

Horn Relay Diagram Wiring Diagram Box