Thanks mb523 here is a wiring diagram for the 1976 1979 gas model ezgos for with the 244cc robin engine with internal starteralternator. A site about converting a mg midget to an electric car.

Ev Conversion Schematic

Charging Electrical Vehicles Voltage Amps And Power

Phase Manual Transfer Switch Wiring Diagram Free Download Electric
To save and download right click and select save as average download time at 56k for 1mb file is 2 3minutes.

Wiring diagram electric car conversion. Electric car kits provide the tools and parts necessary to convert most vehicles in a safe and easy method without having to do a lot of. High performance electric motorcycle drive kits. Downloads articles relevant to the hilux surf models click on to open. Drive your motorbike up to 100mph clean quiet efficient reliable light weight compact and monstrous powerful. Hpevs wiring schematics programming instructions troubleshooting information for all hpevs ac electric motor packages available. For doing a motorcycle conversion to electric. Inertia switches this is almost always overlooked when doing an electric fuel pump most oem vehicles have these in some obscure place. Dd motor systems the premier electric motorcycle motor manufacturer in the us. You should have one too but make it accessible and if in a race car even more so. This was posted by mb523 im putting it here so everyone can find it later. When the manuals were written the assumption was that an individual has brought his unmodified car into the dealer for repair. Information about various components in an electric car. 95 and up fnr switch wiring for series carts. In recent years the electric car kit has become more popular as hobbyists and enthusiasts alike convert their conventional motorized vehicles into electric cars. At this point i have to add a warning in to regards to using the factory manuals wiring diagram.

Ev Conversion Schematic

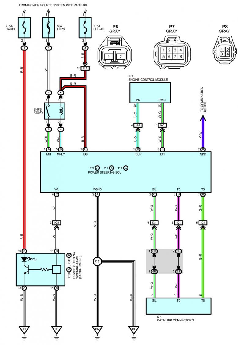
Power Steering Pump Electrical Connection Mechanical Daydream

Charging Electrical Vehicles Voltage Amps And Power

I Need To See A Wireing Diagram Of Wiper Motor To Switch For 1965

Golf Cart Resistor To Controller Conversion Golf Cart Golf Cart

Electric Cars Could Destroy The Electric Grid Or Fix It Forever Wired

Ev Conversion Schematic

Cng Kit Wiring Diagram Cute Cng Car Conversion Uk Cng Kit Wiring

Road Legal Streetquad Conversion Page 3 Diy Electric Car Forums

Vw Beetle Conversion Component Packages

How To Seattle Electric Vehicle Assocation Seva

Ev Conversion Schematic New Electric Vehicle Wiring Diagram Diyguru

Electric Motor Electric Motor Kit For Car

Electric Vehicle Charging Part 1 2 Youtube

Electric Car Conversion Retrofit Plug In Hybrid Motor Electric