20 Wiring Diagram Speedometer Bajaj Pulsar


Bajaj Pulsar 135ls Ug Bs4 Dtsi Headlamp
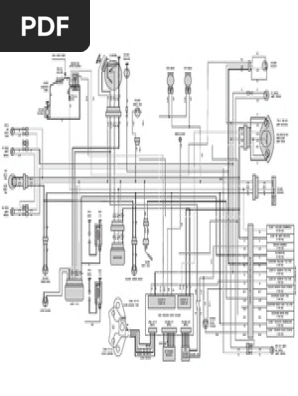
20 Wiring Diagram Speedometer Bajaj Pulsar

Bajaj Pulsar 135ls Bs3 2009 2016 Ignition System

Wiring Harness Pulsar 135cc Ls Ss Alloy Wheel Front Wiring Spark Minda Motorcycle Parts For Bajaj Pulsar 135 Ls

Wholesale Pulsar135 Motorcycle Spare Parts For Bajaj Pulsar 135 Ls Buy Bajaj Pulsar 135 Ls Pulsar135 Motorcycle Parts Spare Parts For Bajaj Pulsar 135 Product On Alibaba Com

Bajaj Pulsar 135ls Ug Bs4 Dtsi Cylinder Head
20 Wiring Diagram Speedometer Bajaj Pulsar

Bajaj Pulsar 135ls Ug Bs4 Dtsi Caliper Components

Bajaj Pulsar 135ls Ug Bs4 Dtsi Sai System

Diagram Bajaj Pulsar Rs 200 Wiring Diagram Full Version Hd Quality Wiring Diagram Outletdiagram Radioliberty It

Bajaj Pulsar 135ls Ug Bs4 Dtsi Head Cover

Bajaj Pulsar 135ls Bs3 2009 2016 Carburettor Components

20 Wiring Diagram Speedometer Bajaj Pulsar

Bajaj Pulsar 135ls Ug Bs4 Dtsi Ignition Coil Spark Plug

Bajaj Pulsar 135ls Ug Bs4 Dtsi Wiring Harness Relays

Bajaj Pulsar 135ls Bs3 2009 2016 Wiring Relays

Diagram Kawasaki Rouser 135 Wiring Diagram Full Version Hd Quality Wiring Diagram Soadiagram Dmcgransassolaga It

Bajaj Pulsar 135ls Ug Bs4 Dtsi Evap

Wiring Harness Pulsar135 Cc Dtsi Es Ls Front Digital Meter 16 Pin Single Socket Assy 2010 Model Swiss Motorcycle Parts For Bajaj Pulsar 135 Ls