
Xm 18 Incubator Controller Settings Youtube


Digital Temperature Controller Xm 26 Incubator Controller For Sale Buy Xm 26 Incubator Controller Digital Temperature And Humidity Controller Intelligent Temperature Controller Product On Alibaba Com

Digital Temperature Controller Incubator Xm 18 Xm 18d Xm 26 Xm 28 For Sale Industrial Egg Incubator Controller Buy Controller Incubator Xm 18 Xm 18 Incubator Controller Incubator Humidity Control Product On Alibaba Com

Part 3 Xm 18 Controller Full Wiring Diagram Xm 18d Incubator Controller Wiring Xm 18 Temperature Youtube

Xm 18 Automatic Computer Controller Thermostat For Egg Incubator Thermostat Programmable Thermostat Plugthermostat Lowes Aliexpress

Digital Temperature Controller Incubator Xm 18 Xm 18d Xm 26 Xm 28 For Sale Buy Temperature Control For Egg Incubator Digital Temperature Controller For Incubator Incubator Temperature Controller Product On Alibaba Com

Cheap Price Digital Temperature Thermostat Egg Incubator Controller Xm 18 D Buy Controller Incubator Xm 18 Egg Incubator Spare Parts Digital Temperature And Humidity Controller Product On Alibaba Com

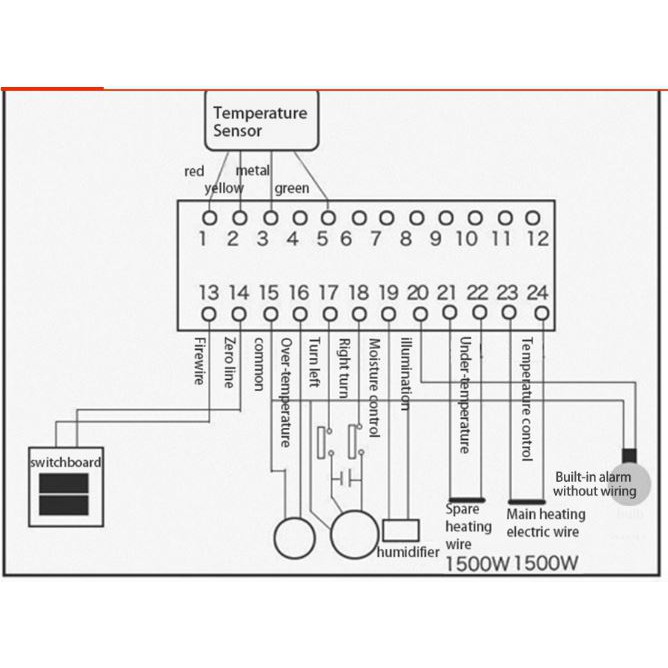
Xm 18d Temperature Controller Wiring Diagram How To Wiring Xm18d Temperature Controller Youtube
Ac 220v Xm 18 Thermostat Regulator For Incubator Temperature Humidity Controller For Industrial Automatic With Two Sensor Thermostat Regulator For Incubatorthermostat Regulator 220v Aliexpress

Zl 7918a 100 240vac Multifunction Automatic Incubator Incubator Controller Temperature Humidity For Incubator Lilytech Xm 18 In Temperature Instruments From Tools Reviewaverse

Digital Temperature Controller Incubator Xm 18 Xm 18d Xm 26 Xm 28 For Sale Industrial Egg Incubator Controller China Incubator Controller Xm 18 Incubator Controller Made In China Com

Digital Temperature Controller Incubator Xm 18 Xm 18d Xm 26 Xm 28 For Sale Industrial Egg Incubator Controller Buy Temperature Controller Incubator Controller Controller Product On Alibaba Com

Zl 7918a 50 60hz Egg Incubator Controller Xm 18 Multi Function Automatic Temperature Humidity Control 100 240v Aliexpress

Xm 18 Egg Incubator Controller Thermostat Hygrostat Full Automatic Control Multifunction Egg Incubator Control System Temperature Instruments Aliexpress

Xm 18 Digital Temperature And Humidity Controller Thermostat Hygrostat Meter 110v 220v Automatic Sensor Probe For Egg Incubator Temperature Instruments Aliexpress

Intelli Gent Xm 18 Incubator Controller Temp Tek

Xm 18 Temperature Controller Wiring Diagram How To Wiring Xm18 Temperature Controller Youtube
Xm 18 Digital Incubator Controller Temperature Humidity Shopee Philippines