
Pin By Diogo Tadeu On Electrical Technology Electronic Engineering Free Energy Generator Tesla Technology


260kw Stamford Type Brushless 220v Ac Alternator Stamford Alternator Home Appliances

Manual Stamford P7 G Powertech Engines Inc Manualzz

Kd224f 70kw 70kva Diesel Engine Alternator Stamford Generator 1800rpm 60hz Single Phase 220v Stamford Generator Alternator Stamforddiesel Engine Alternator Aliexpress

Alternator Stamford Uci224f 4p 3f Brushless Avr 1500 1800 50 60 Hz 72 5 93 8 Kva Sae 3 11 5 Genset Components Genset Spares Parts Online Buy Now Online

1000kva Cummins Diesel Generator Set Installation Diesel Generators Cummins Diesel Diesel

Stamford Ac Generators Installation Maintenance Manual Pdf Download Manualslib

Brushless Alternator Stamford Alternator Alternator For Dg Set Buy Alternator For Dg Set Stamford Generator Stamford Alternator Product On Alibaba Com
Http Www Genpowerusa Com Content Files Manual Stamford Generator Pi734f 3 Phase Pdf

Alternator Stamford Hci444c 4p 3f Brushless Avr 1500 1800rpm 50 60 Hz 250 315 Kva Genset Components Genset Spares Parts Online Buy Now Online

Number Of Coils As You Have Chosen Magnets Lay Your Coils Out In A Row So That Their Posi Motor Generator Electrical Wiring Colours Electronic Circuit Design

Pin On 250 Kva To 600 Kva Generator Sets

Stamford S6 Newage Stamford Avk

Stamford Wiring Diagram Electric Generator Alternator Alternating Current Png 1653x2339px Stamford Alternating Current Alternator Brand Circuit

Pin By Zied Naat On Mes Enregistrements Alternator Motor Generator Electrical Projects
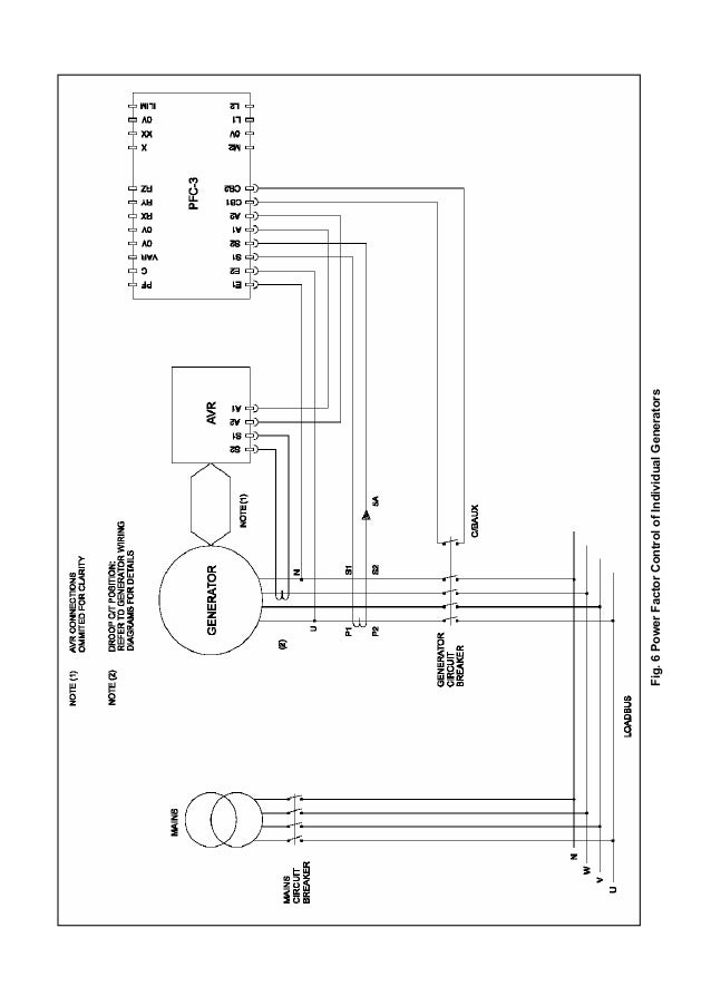
Stamford Alternator Wiring Diagram Manual
Https Www Stamford Avk Com Stamford Avk Sites Stamfordavk Files 2019 09 A040j849 Hc I8 En Pdf

Stamford Bc Cummins Generator Technologies Manualzz

